sopo.com.cn 0511-88995088
  采购公告
当前位置: 首页- 公开采购- 采购公告
江苏索普新材料科技有限公司氯苯事业部衬氟自吸罐制作招标文件
作者:江苏索普新材料科技有限公司  发布时间:2024-08-28 预览量:24671

江苏索普新材料科技有限公司招标文件

    

我公司现需进行氯苯事业部衬氟自吸罐制作招标,采用自主招标的方式选定承包商,特邀请贵单位参与投标。     

一、招标概况:

(一)项目名称:氯苯事业部衬氟自吸罐制作;

(二)工期:920日前

(三)地点江苏索普新材料科技有限公司

    投标截止时间20249513时(北京时间);

开标时间20249513时(北京时间)

开标地点:江苏索普(集团)有限公司招标中心

     二、招标内容:

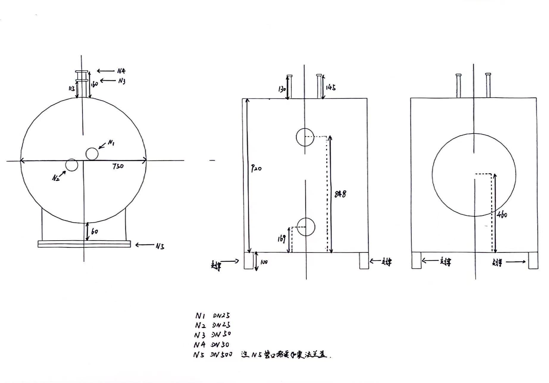
      施工范围及技术要求:需要制作1只衬氟自吸罐,高度920mm,直径750mm,罐体材质碳钢,罐体壁厚8mm,衬氟材料为PTFE ,PTFE厚度3mm,压力等级PN16,法兰标准HG/T20592N5管口需加装法兰盖,主材、辅材及来回运费由中标方提供,图纸见附件。

     三、投标人资质与要求:

    (一)投标人必须具备中华人民共和国境内生产或经营应具备的合法资质;

不接受被列入失信被执行人、重大违法案件当事人投标;

    )资质要求:投标人必须持有压力管道特种元件:防腐管道元件型式试验报告,且证书在有效期内。满足HG/T 20538-2016衬塑钢管和管件选用系列国家标准

    )投标人应具备良好的售后服务能力,要求电话联系后2小时内必须给予回复,明确解决方案;

    投标人须具有2021-2023年度三个以上相关业绩,若在我公司有使用业绩的可不提供(提供业绩表,合同复印件等)

    (六)不接受被列入索普集团供应商负面清单中的单位投标;

)对在甲方区域内施工作业,乙方必须遵守甲方的相关管理制度,服从甲方对安全环保的管理要求,施工前必须与甲方签订安全环保管理协议,施工结束清理现场且固废危废合规处置。

)报价文件需包含:营业执照、税务登记证、组织机构代码证、一般纳税人证明材料、生产经营资质、业绩等。

四、投标:

(一)报价方式:报价为含增值税包干价。如国家税率调整,按合同含税价格/(1+合同约定税率)*(1+国家规定的新税率)调整合同价格开具发票;价款已经包含相关安全措施费用、施工垃圾清理费用、固废危废处置费用包含来回运费,招标方不再另行承担费用。

(二)付款方式:全部承兑汇票,制作完成返厂并经甲方项目所在部门负责人签字确认无误及验收合格票入账后甲方支付合同款90%10%质保如投标人不接受招标人提出的付款方式,可在线下报价书中明确能够接受的付款方式及付款时间,评标时作为参考。报价为含税价,如有不同请注明。

(三)本项目投标可通过线下方式进行:

采用线下投标将报价书及相关资料以标袋形式送达,标袋外包装必须用“封条”密封,封条“格式自定”,另需加盖公章、法人章填写密封日期;在标袋封面上注明“投标项目名称投标方名称、地址、联系人、联系电话等;投标文件还应包括正本 1  ,并要求在投标截止日之前送达,逾期将作为作废标处理。

 

(四)与本投标有关的一切往来通讯请密封寄:

公司:江苏索普新材料科技有限公司

地址:江苏省镇江市大港新区青龙山路8号

邮编:212006

商务联系人:王强

联系电话:18951284998

(五)凡对招标文件条款有疑义的,请在开标前按以下方式联系:

    联系单位:江苏索普新材料科技有限公司

    地址:江苏省镇江市大港新区青龙山路8号,邮编:212006

商务联系人:王强      联系电话:18951284998

技术联系人:阎嘉伟    联系电话:15862998376

负责人联系电话:0511-88987819

五、开标、评标、流标及废标:

(一)开标

本项目由招标人组织评标小组负责开标工作,对各投标人报价进行评标,确定最终中标人。请各投标人保持通讯畅通,便于评标小组在开标现场电话联系中标公示:中标信息将于开标后在索普集团官网公示,请各投标人登录http://www.sopo.com.cn查询。

(二)评标

在能够满足招标人技术要求及竣工期限要求的投标人中选择总价最低的一家投标人作为中标候选人。                                   

(三)流标

招标人如发现招标过程中有串标、陪标等扰乱招标人经营秩序的恶劣情况,经招标人评标小组评定作流标处理,并可将相关投标方列入供应商负面清单,一年内不再接受参与标工作。

(四)废标

凡投标人不具备招标人明确要求资质的,或投标文件填写不完整、报价有空项的,或不符合技术要求条款的,或者存在其他不符合招标人有关要求的问题,经招标人评标小组评定,可作废标处理。

六、其他注意事项  

(一)中标人中标以后应严格按照标书约定与招标方签定合同,并按合同约定做好施工相关服务工作。对中标人所有违背标书及合同约定的行为,招标人均可持续保留与中标方中止合作的一切权利。 

)对不合格施工材料招标人应及时通知中标人,如有异议双方可协商解决;仲裁期间中标人应保证影响招标人正常生产运行。

)如因投标人不能正常履约,对招标人生产经营活动造成影响的,将承担违约责任,列入招标人供应商负面清单;如严重影响招标人生产经营活动的,招标人将依法追究投标方法律责任。

)投标人在中标后无正当理由不与招标人签订合同的,将承担违约责任,列入招标人供应商负面清单。

)投标人应详细阅读本招标书,参与报价投标即视为对本招标书所列之条款均表示接受。

)招标人对违反约定的投标人或中标人将按《江苏索普新材料科技有限公司供应商考评管理规定》对投标人进行管理考核(详见附件)。

)本次招标解释权归江苏索普新材料科技有限公司商务合作部所有。

(八)承包商单位需通过本公司承包商预审方可进场施工,审核清单详见附件《承包商预审表》。

(九)承包商进场施工前需签订《承包商安全环保管理协议》方可进场施工,见附件《承包商安全环保管理协议》

报价函

江苏索普新材料科技有限公司

(投标单位全称)授权(全权代表姓名)(职务、职称)为全权代表,参加贵方组织的招标有关活动,并对该项目进行投标。

1、投标项目的总投标价(含税)为       (大写):      元人民币;税率       %如有分项报价,请另附分项报价清单;

2、我方保证遵守招标文件中的全部规定;

3、我方保证忠实地执行双方签订的合同,并承担合同规定的责任义务;

4、我方已详细审查全部招标文件,包括招标文件的补充文件(如有)。我方完全理解并同意放弃对这方面有不明及误解的权力,同时完全接受招标文件所有条款。如果招标文件有相互矛盾之处,我方同意按招标方的解释处理;

5、愿意向贵方提供任何与该项投标有关的数据、情况和技术资料,完全理解贵方不一定接受最低价的报价或收到的任何报价。

6、自主公开招标文件的不接受项:                                              

                                                              

全权代表(签字):

联系电话:

投标单位(盖章):

日期:

附件:

江苏索普新材料科技有限公司供应商负面

清单管理规定2023年修订版

 

第一章 总则

第一条 凡按国家标准及相关准则或规定组织生产销售的物资供应商、服务提供商或施工承包资质证照齐全且满足我司采购要求,均参与我司组织的招标比价采购等商务活动。

第二条 职责分工

1.使用部门:负责提供技术参数或提出服务要求,对采购物资或服务的质量进行验收,对供应商所供货物在使用效果、产品质量、服务质量等方面进行评价。

2.管理部门:负责监管使用过程,对标的物样品或试供原料的质量进行检验,判定其是否符合公司所需的技术要求。

3.采购部门:负责通过线上或线下途径不断开发有能力满足公司所需物资或服务的供应商,对目标供应商所提供的材料完整性、交货期、价格等作为筛选的依据进行资格初审,收集供应商资料并建立档案。

4.监管部门:负责对采购流程的合规性进行监督。

第二章 供应商负面清单确定流程

第三条 供应商负面清单管理工作由商务合作部全面负责,其他职能部门在使用或监管过程中产生的供应商考核意见应报商务合作部统一汇总管理。具体确定流程如下:

工作流程

工作内容简述

责任部门

 

  

根据招标、询价结果挑选出目标供应商,要求其提供相关资质

商务合作部

根据目标供应商所提供资料,对其提供的材料完整性进行初审

商务合作部

如有需要,采购部门可组织相关部门对目标供应商审核

商务合作部、使用部门、生产运行部、安全环保部、监察审计部

对于需要送样的标的物,联系供应商送样,质检化验合格后,方可参与报价

商务合作部

对所送样品进行检验,给出检验结论

(项目材料送检由工程技术部负责组织)

生产运行部、安全环保部

对于需要试供的,进行三次试供,对供应商的供货能力、供货周期、产品质量与使用情况等跟踪考察

使用部门、生产运行部、安全环保部

把不合格的供应商列入供应商考核清单,建立供应商考核清单档案

商务合作部

 

 

 

 

 

 

 

 

 

 

 

备注:工程技术部及对应项目组全程参与工程项目类供应商负面清单确定流程

 

第三章 供应商积分考核和管理

  第四条 应商的积分考核主要包括供货质量、交货周期、售后服务、资质信誉、安全环保等方面,每项10分。使用部门、专业管理部门、采购部门、监管部门均可提出书面考核意见。商务合作部负责对各相关部门提出的考核意见进行收集汇总,并根据综合扣分情况将供应商分为合格供应商或负面清单供应商。凡被列入负面清单的供应商,自被考核当日起一年内均不得与公司进行合作;凡未被列入负面清单的供应商一年后当年考核扣分自动清零。

  1.合格供应商:供应商一年内累计考核扣分介于0-9分之间,可作为合格供应商继续开展合作

  2.负面清单供应商:供应商单次供应考核扣分或一年内累计考核扣分达到10分以上(含10分)列入负面清单供应商,至少于一年内停止与其产生新的合作。

第五条 考核方法

(一)供应商考核方法

  1.质量方面

    1)所供产品出现质量问题,经调换未对公司造成影响,单次扣3分。

  (2)所供产品出现质量问题,对公司造成影响但未导致减产停车事故的,单次扣5分。

  3)所供产品出现质量问题,导致减产停车事故的或导致公司产品存在质量缺陷的,单次扣10分。

  2.交货方面

    1)交货时无质检报告或合格证等必要资料的,单次扣1分。

    2)交货时未按规定包装的,单次扣1分。

    3)延期交货,未对公司造成影响,单次扣3分;造成影响但未导致减产停车事故的,单次扣5分导致减产停车事故的单次扣10分。

    4)交货过程中存在故意隐瞒质量缺陷或以次充好,单次扣10分。

    5)运输单位未能按要求完成运输任务,单次扣3分。

  3.售后方面

    1)对我公司的售后服务要求不能及时响应,单次扣3造成影响但未导致减产停车事故的,单次扣5分导致减产停车事故的单次扣10分。

    2)售后人员不能及时解决问题,单次扣3分。

    3)在质保期之内,拒绝按合同提供售后服务,单次扣10分。

    4.资信方面

    1)中标之后拒绝签订合同或拒绝履行合同,单次扣10分。

    2)无正当理由未及时开具发票给我方,单次扣3分。

    3)未按合同约定价格开票,单次扣5,开票弄虚作假,单次扣10分

    4)注册信息及基本资质证书不属实,单次扣10分。

5)因知识产权引起纠纷,单次扣10分。

5.安全环保方面

1)供应商的产品不满足国家安全、环保相关规定,造成不良影响的,单次扣10分。

2)供应商在送货过程中不满足国家安全、环保相关规定、不执行我公司相关安全、环保要求,单次扣10分。

(二)物流承运商考核方法

1.车船要求方面

1)必须做到证照齐全,如不全单次扣5/证

2)车船状况保持完好、设施齐全,发现缺损项扣2分。

2.计划完成方面

须按发货计划安排车船完成运输任务,否则单次扣5分。

3.资信方面

1中标之后拒绝签订合同或拒绝履行合同,单次扣10分。

2无正当理由未及时开具发票给我方,单次扣3分。

3未按合同约定开票,单次扣5;开票弄虚作假,单次扣10分。

4注册信息及基本资质证书不属实,单次扣10分

4.安全环保方面

不满足国家安全、环保相关规定、不执行我公司相关安全、环保要求,单次扣10分。

(三)承包商考核方法

1.工程质量及进度方面

(1)承包商不组织分项、分布和中间治疗验收等,即进入下一道工序施工,单次扣2分。

(2)进入施工现场的原材料、设备不按规定进行报验,单次扣2分。

3)承包商对质量过程控制意识不强或未进行自检,验收时仍存在质量问题的,单次扣5分。施工质量不合格整改后仍然留下永久性缺陷,单次扣5分。

4)因自身原因未按工程进度要求完成施工,扣3分。

5)未经有效的审批程序,擅自变更材料的规格尺寸、性能参数等,单次扣5分。未经有效的审批程序,擅自改变施工方案,单次扣5分。随意增加或取消施工项目,单次扣10分。

6)被责令整改的,单次扣2分。接受整改通知单后未及时整改或整改不到位,单次扣2分。

7)拒不接受甲方的协调工作,或拒不执行协调结果,单次扣5分。

8)未及时办理共检手续,单次扣2分。

2.售后方面

1)对我公司的售后服务要求不能及时响应,单次扣3造成影响但未导致减产停车事故的,单次扣5分导致减产停车事故的单次扣10分。

2)对我公司的售后服务要求不能及时响应,对生产造成影响的,单次扣3分。

3)售后人员不能及时解决问题,单次扣3分。

4)在质保期之内,拒绝按合同提供售后服务,单次扣10分。

3.资信方面

1)中标之后拒绝签订合同或拒绝履行合同,单次扣10分。

2)无正当理由未及时开具发票给我方,单次扣3分。

3)未按合同约定价格开票,单次扣5分;开票弄虚作假,单次扣10分。

4)注册信息及基本资质证书不属实,单次扣10分。

4.安全环保方面

1)施工组织设计中未制定安全措施扣10分。

2)危险性较大的分布分项工程未编制安全专项施工方案扣3分。

3)未按方案组织实施扣5分。

4)承包商在施工中不满足国家安全、环保相关规定、不执行我公司相关安全、环保要求,单次扣10分。

    第六条 供应商发生以下情况,将直接列入负面清单,情节严重的直接永久性停止合作:

    1.涉及弄虚作假、欺诈、故意隐瞒、冒名顶替等行为的;

2.出现串标、围标、陪标,或者以损害其他诚实竞争者的利益谋求中标的;

    3.供应商通过法律诉讼起诉我公司的;

4.违反廉协议,滋生腐败现象的;

5.出现捏造事实无理取闹、聚众围堵、恶意诽谤、重复恶意投诉恶劣行为扰乱公司生产经营秩序的

6.对所有已被累计两次加入负面清单的供应商,一律永久性停止与该供应商的合作。

  第七条 关于无效投诉的处理办法

  为了维护招标工作的严肃性,投标人所提出的投诉一旦被公司认定为无效投,单次扣除投诉人3分;如果投标人仍不接受解释重复诉,扣除投诉人10分;投标人对同一事件的无效投诉达到二次或一年内累计无效投诉的次数达到三次以上(含三次),均直接列入供应商负面清单,情节严重的永久性停止合作。

第四章 负面清单供应商的消除

  第八条 已被列入负面清单供应商通过自身完善、整改等措施,其产品或服务质量满足公司要求,原则上自考核满一年以后,供应商提出书面申请经供应商能力确认流程鉴定后方可从负面清单中消除。具体流程如下:

  1.供应商提出负面清单消除的书面申请以及针对考核项的整改措施、效果等相关文件材料

  2.商务合作部牵头组织相关部门对供应商提供的文件材料进行确认,必要时组织现场考察

  3.商务合作部根据材料确认及考察情况提出建议,经公司领导审批后报集团商务部完成后续工作

第五章  附则

第九条 各部门应努力按照公开、公平、公正的原则,做好供应商负面清单的考核和管理工作。

第十条 供应商负面清单的加入和消除总体采取谁加入谁消除的独立自主处置原则,对集团公司内同一供应商一年内的考核扣分累计达到15分以上,由集团商务合作部将其列为负面清单供应商。

第十一条 负面清单供应商的加入和消除均应在第一时间报送集团商务合作部,并由集团商务合作部统一在公司指定公告栏中进行公示。

第十二条 本规定自颁发之日起生效,由商务合作部负责解释,原《江苏索普新材料科技有限公司供应商考评管理规定(试行)同时废止
   江苏索普新材料科技有限公司

入厂须知安全告知书

通过此学习视同您已阅读本须知内容并承诺遵守公司的规定)
各外来车辆及人员 您们好,欢迎您来到江苏普新材料科技有限公司江苏普新材料科技有限公司是从事基础化工生产企业,主要的生产特点是易燃、易爆、有毒有腐蚀物质多和高温高压设备多,是化工园区的重点防火单位.我公司生产现场潜在的危险伤害因素有:火灾爆炸、中毒、窒息、烫伤、触电腐蚀、灼伤、物体打击起重伤害高处坠落,机械伤害车辆伤害粉尘噪声等为了您的人身安全和家庭幸福请您认真阅读以下注意事项:

索普承包商十大禁令

1、严禁未经安全教育作业

2、严禁无证作业、无资质作业

3、严禁违规进出二道门

4、严禁生产区域不戴安全帽

5、严禁生产区域吸烟、饮酒

6、严禁高空抛物

7、严禁不系安全带高处作业

8、严禁不系救生绳进入受限空间作业

9、严禁无监护人作业

10、严禁机动车乱停乱行

违反禁令者,扣承包商安全积分10分/人次、处罚2000元/人次;当事人一律列入黑名单,收缴门禁、清理出场。

首先通过学习公司承包商十大禁令”,请大家谨记!

一、进入厂区须登记并须联系公司被访人,客户、外来厂商、实习人员等一般访客在门卫处进行入厂安全视频培训并经考试合格。政府机关及上级主管单位需要进入生产装置区域参观,检查指导工作的,由公司相关部门人员接待,确定行走路线。在公司二道门处发放安全帽、防静电工作服、防护镜、人员定位器,进入生产区域,由专人全程陪同,未穿戴劳动防护用品的不得进入生产装置。

二、外单位作业人员必须经过安全教育并考核合格后办理“外工上岗证”、“人员定位器”,统一着装、明显标识单位名称的(着防静电工作服、安全帽、耐酸碱防砸工作鞋、防护镜等),按公司规定持人员定位器进出二道门;其他的请遵守“进入二道门管理规定”。                  

三、企业厂区内机动车辆限速 5公里/小时;主要干道限高见限高牌标识;货运车辆进入厂区必须按规定路线行驶,自驾小型客车不得进入公司生产区,所有进入生产区的机动车辆请戴好阻火器(防火罩)。。 

四、企业整个生产区均为禁火区,在禁火区内严禁吸烟。

五、进入生产区活动应戴好安全帽及其它必要的防护用品,并听从岗位人员的安排,请勿到其它地方随意走动,或者触碰设备等。 未经本公司允许不得在厂区内拍照。

六、进入生产区域请不要穿化纤衣服,不要穿戴铁掌的鞋,禁止使用非防爆手机。

七、您的机动车辆请按公司规定停放,不要阻塞企业的消防通道。

八、请不要沿途抛洒杂物,如有杂物垃圾请投入固定分类垃圾箱。

九、外来施工单位或人员在进入厂区施工作业前必须经本公司安全培训和安全审核批准,办理相关手续,并接受本公司的安全监督。

外来施工单位或人员应自觉遵守本公司的安全管理制度和操作规程,正确使用维护防护设施和个人防护用品,必须服从本公司为保护外来施工单位或人员安全及职业健康的工作安排。

十一、在运输车辆发运过程,装运货物的车辆,在移位时车顶严禁站人。押运人员在佩带好防护用品,下车站在发货平台上指挥倒车、就位。车辆停稳后,挂好安全带,方可上车顶作业。

十二、当外来施工单位或人员工作内容发生变更,从事告知书中未告知的存在安全职业危害的作业时,本公司应告知相关内容。

十三、任何人员进入公司,必须严格遵守公司相关安全管理规定。

十四、任何人员因违反国家有关法律法规及公司有关规定而造成事故,本公司将依法追究其经济责任和法律责任。

谢谢您对我公司安全环保工作的理解和支持!

 

 

 

 

       


承包商安全管理制度

1 目的

为加强对承包商的管理,根据《关于危险化学品企业贯彻落实〈国务院关于进一步加强企业安全生产工作的通知〉的实施意见》(安监总管三〔2010〕186号)《化工企业工艺安全工艺实施导则》AQ/T3034-2010、《加强化工过程安全管理的指导意见》安监总管三【2013】88号等文件要求,全面规范承包商资格预审、选择、开工前准备、作业过程监督、表现评价等过程的管理,预防安全环保事故及职业病的发生,特制定本制度。

2 适用范围

本制度适用于江苏普新材料科技有限公司(以下简称公司)所属区域,所有长、短期承包商的安全环保管理。

3 定义

3.1承包商是指为公司提供建设安装、土建、检维修、拆卸、保温、防腐、维护保养、设备调试、技术服务、运输业务、外包作业经营业务等服务的单位。

3.2长期承包商是指在公司提供服务本年度内累计服务时间一个月以上的承包商。其他情况视为短期承包商。

3.3承包商引进部门是指公司职权范围内与承包商进行前期接洽、商谈以及签订服务合同的部门。

3.4作业风险等级

重大作业风险:所有牵涉一级以上动火(包含一级)作业、受限空间作业、一级以上吊装(包含一级)作业、三级以上(不包含三级)高处作业、正常生产状态下重大危险源区域内的作业、建构筑物设备设施拆除作业、住房城乡建设部办公厅规定的《危险性较大的分部分项工程安全管理规定》作业。

一般作业风险:除重大风险以外的。

4 职责 

4.1 安全环保部部门职责

4.1.1参与审查承包商资质签订安全环保管理协议

4.1.2监督检查承包商现场作业安全环保管理

4.1.3负责承包商月度安全环保业绩考评;

4.1.4负责承包商的公司级安全培训、培训记录的归档;

4.1.5参与承包商各类事故、事件的调查,并组织分享事故、事件防止类似事件再次发生。

4.1.6负责承包商部分资料的收集建档。

4.2 承包商引进部门职责

4.2.1负责审查承包商资质、编制相关招标方案,组织需求部门和安全环保部完成承包商预审。

4.2.2与中标的承包商签订业务合同,建立承包商名录、档案。

4.2.3 组织相关部门进行承包商年度评审。

4.3 承包商使用部门职责

4.3.1参与承包商的准入审核,组织进行承包商各类事故、事件的调查。

4.3.2承包商进入工作现场后,由各承包商使用部门负责组织部门级的培训及施工安全交底。

4.3.3负责承包商检修(施工)作业全过程的安全环保管理。

4.3.4 组织承包商编制施工方案和应急预案并组织审核。

4.3.5 参与对管辖区域的承包商进行安全环保业绩考核。

5管理内容

5.1承包商的安全环保资格、资质预评审

5.1.1 承包商引进部门提出合作承包商的意向后,收集承包商资质、资格的资料。

5.1.2承包商引进部门组织安全环保部及相关部门进行资格、资质审核,填写《承包商预审表》(见附件)并将相关资料存档。

5.1.3通过资格、资质预评审承包商的《承包商预审表》,报公司分管安全副总批准。

5.1.4必要时,承包商引进部门和安全环保部对承包商所具备条件符合性进行实地考察验证(承包商所在地、承包商所承揽施工、安装的工程、制作的设备等业绩和能力)。

5.1.5承包商的资格、资质预审查的内容包括但不限于:

a. 服务类型、经营范围和资质证书;

b. 对承包商实地考察的意见;

c. 承包商安全组织机构基本情况;

d. 近三年的安全环保业绩;

e. 承包商人员保险证明(工伤保险缴纳证明或人身意外伤害保险或雇主责任险缴纳证明等;注意保险职业类型要符合);

f. 特种作业人员提供资质复印件(电工证、焊工证、架子工、吊装证等);

g. 承包商应提供符合安全标准的设备、设施;

h. 专业安全管理人员资格证书。

5.1.6按照公司《招投标管理制度》选定承包商。

5.1.7承包商引进部门建立合格承包商清单和档案(附件2)。

5.2 合同及安全环保管理协议

5.2.1承包商引入部门与承包商签订合同,填写《承包商信息传递卡》(附件3)。

5.2.2承包商携带合同(复印件)、《承包商信息传递卡》“承包商办事流程一览表列明的相关资料”至安全环保部签订《承包商安全环保管理协议办理安全环保风险抵押金缴纳手续

5.3安全环保风险抵押金

5.3.1承包商向财务部缴纳安全环保风险抵押金

5.3.2安全环保风险抵押金的缴纳标准

长期承包商安全环保风险抵押金不低于1万元/年,单个项目达到或超过100万元的按合同价的2%缴纳;

临时承包商安全环保风险抵押金按合同价的1%缴纳,最低不少于4000元,最多不超过2万元。

5.3.3与公司合同终止时,根据考核情况免息退还余额。

5.4 对承包商的安全培训教育

5.4.1由安全环保部主管承包商管理的安全管理人员确认相关资料无误后对承包商进行公司级安全教育培训,培训包括但不限于以下内容;公司安全环保规章制度、职业危害及注意事项、危险有害因素、应急知识及装备、安全设备设施明确严禁二道门内有吸烟、休息内容。承包商人员经公司级培训考核合格后由安全环保部发放公司外工上岗证、定位器并填写“承包商安全环保管理信息传递卡”交给相关承包商;

5.4.2承包商经公司培训考核合格后进入现场前,携带“承包商安全环保管理信息传递卡”至相关承包商使用部门进行二级安全培训,安全培训、考核做好记录存档;

5.4.3承包商使用部门对承包商进行专项安全培训,内容包括但不限于安全环保意识、知识和风险、及防范措施、应急处置等;

5.4.4承包商使用部门在承包商进入现场后作业施工前进行现场安全交底,其内容包括但不限于现场作业风险和防范措施、作业控制和现场应急培训以及JSA相关内容等;

5.4.5承包商项目负责人、安全负责人和其他施工人员必须经公司安全培训合格后持外工上岗证上岗,作业监护员还必须经过公司监护人专项培训考核合格,脱离公司半年以上(包括半年)外工上岗证自动失效,再次进入公司必须重新培训合格后上岗;

5.4.6承包商使用部门保存“承包商安全环保管理信息传递卡”至该项目作业结束时由部门负责人填写考评意见交给承包商;

5.4.7承包商将该项目“承包商安全环保管理信息传递卡”交至安全环保部进行考评后存档。

5.5施工过程管理

5.5.1施工方案编制:

a. 承包商使用部门组织施工单位编制“组织施工方案及应急预案”,然后根据方案所涉及的危险作业有害因素填写“组织施工方案、应急预案审核表”(见附件6)组织相关部门进行审批;

b. 一般作业风险的施工方案,由承包商使用部门负责人审批;

c. 重大作业风险的施工方案,生产运行系统由承包商使用部门负责人初审,生产运行部负责人审批,特别重大项目由公司分管生产运行的领导进一步审核;工程建设系统由承包商使用部门负责人初审,工程技术部负责人审批,特别重大项目由公司分管工程建设的领导进一步审核。

d. 编制组织施工方案,方案的内容至少包括:

① 整体组织架构;

② 施工主要项目内容进度计划及保障措施;

③ 施工队伍及人员资质情况、所需设备设施等资源配置情况;

④ 技术准备和现场准备情况;

⑤ 主要检维修或拆除内容及作业流程;

⑥ 清理置换方案;

⑦ 施工过程的风险分析及控制措施;

⑧ 施工安全防护、环境保护及消防等应急措施;

⑨ 结合施工过程风险分析制定相应的应急预案。

5.5.2作业风险分析

作业前风险分析执行公司“安全分析(JSA)管理制度”。

5.5.3 现场确认及安全交底

a. 公司承包商使用部门、施工单位对作业现场共同进行检查,确认具备安全作业条件后,方可办理相关作业手续。

b. 由承包商使用部门对承包商施工人员进行安全交底(包括作业内容、可能存在的安全风险及安全防护措施、应急处置等)并填写现场施工安全交底表(见附件7)

5.5.4工器具管理

a. 承包商工器具入厂前必须经由公司生产运行部、安全环保部或电仪保障部相关人员至现场进行检查,经检查合格后填写检查表并张贴检验合格标签入厂,每季度复审;

b. 承包商每月对各类工器具进行检查并做好记录,保证工器具处于完好状态;

c. 工器具使用前承包商每日做好日检,确保工器具完好;

d. 合格标签缺失、破损或有效期满的,由承包商单位提前申请复查;

e. 各承包商使用部门加强对承包商工(器)具使用过程的管理,生产运行部、安全环保部、电仪保障部、工程技术部等公司职能部门不定期进行现场检查。一旦发现有未经检验的工(器)具,除考核承包商外,承包商使用部门相关责任人员也将予以考核;

f. 工器具检查分工见下表:

序号

(器)具类型

检查部门

1

叉车

生产运行部

2

吊(车)具

生产运行部

3

手拉葫芦

生产运行部

4

转动搅拌设备

生产运行部

5

气体钢瓶及附件

安全环保部

6

电焊机

电仪保障部

7

临时用电箱

电仪保障部

8

手持电动工具

电仪保障部

5.5.5作业过程管理

a. 执行公司《危险作业安全管理制度》、《脚手架作业安全管理制度》、《施工现场环保管理制度》等相关制度。

b. 承包商在作业前对作业区域采取有效隔离,措施包括围挡、警戒绳、安全警示牌等。

5.6应急预案

承包商应编制应急预案,应急预案应包括应急处理程序、应急处理领导小组、指定集合区、事故中清点人数的办法、逃生路线和联系方式等;

承包商应针对应急预案进行培训和演练;

承包商应参加公司组织的应急预案演练。

5.7事故报告

承包商应及时地将所有导致伤害、疾病、环境或者财产损害事故第一时间通报给公司项目承包商使用部门,并积极协助公司事故调查人员一起进行事故调查和记录,事故管理执行公司《事故管理制度》。

5.8对承包商的过程监督和控制

5.8.1承包商使用部门每日对属地承包商作业过程进行检查,发现问题立即纠正,不能立即整改的下发隐患整改通知单并跟踪整改。

5.8.2承包商使用部门对承包商作业过程中发现的违章违规行为进行记录,每月28日前汇总上报安全环保部。

5.8.3安全环保部每月组织工程技术部、生产运行部、电仪保障部及承包商使用部门对承包商进行现场检查填写检查记录表,对检查中发现的问题立即纠正,不能立即整改的下发隐患整改通知单至相关属地部门限期整改。

5.8.4工程技术部、生产运行部、电仪保障部、安全环保部按照各自职责不定期对承包商进行现场巡查,发现问题立即纠正,不能立即整改的下发隐患整改通知单并跟踪整改,检查发现的问题报安全环保部汇总。

5.8.5安全环保部每季度组织承包商安全环保会议,分析讨论承包商违章违规情况,制定改进措施,分享企业内外事故事件、最新法律法规和公司修订的相关制度等。

5.8.6安全环保部对各类违规进行汇总分析,并发送至相关部门负责人和承包商项目负责人。

5.9承包商安全环保考核

5.9.1承包商员工考核

承包商员工违章累计扣分=承包商员工单项违章扣分之和;

承包商员工违章扣分标准参照《承包商违规考核标准》(附件8);

安全违章累计扣分达到6分的由承包商专职安全员进行安全培训,考试合格后方可进行现场作业;

安全违章累计扣分达到10分的立即判为公司不合格承包商员工,列为公司承包商员工“黑名单”,禁止进入公司从事作业;

累计扣分以一个项目为一个周期,项目结束后积分清零。

5.9.2承包商考核

承包商年度综合评估得分=项目平均得分*60%+年末评估得分*40%;

项目平均得分=100-承包商扣分;(承包商扣分=承包商个人扣分之和/承包商员工总数*10人);

承包商同一个项目发现两次A类违章,安全环保部对承包商单位负责人进行约谈,约谈记录见附件9;

当承包商同一个项目发现叁次A类违章,立即取消其在公司的施工资格并列入黑名单;

承包商年度综合评估得分≥80分,安全环保风险抵押金全额免息返还;80分<安全环保风险抵押金≥60分,返还金额=安全环保风险抵押金*得分/100;低于60分取消其在公司的施工资格,列入黑名单并全额扣除安全环保风险抵押金;

列入黑名单的承包商经内部整顿1年后可重新申请准入,重新准入必须按照新引入承包商程序进行审查;

累计积分考核以日历年年度为周期,一个周期期满后,该周期内的记分分值清零,不转入下一个周期;

每年12月份由承包商引进部门组织安全环保部、生产运行部、工程技术部、项目属地管理部门人员进行承包商年末评审,填写承包商年末评审表(见附件10);

安全环保部将承包商项目平均得分和年末评估得分汇总为承包商年度综合评估得分报公司安全副总审核,总经理审批;

安全环保部将经公司领导审批的承包商年度综合评估结果向承包商、引进部门通报。

5.9.3违章处罚扣分标准及管理汇总

违反公司《承包商违规考核标准》中A类违章的每人次扣10分、处罚2000元;B类违章的每人次扣5分、处罚1000元;C类违章的每人次扣1分、视具体情况处罚100-500元不等;

承包商现场违章处罚由公司承包商使用部门或承包商违章行为发现部门拟定处罚通告交安全环保部审定,由安全环保部负责承包商违章行为处罚闭环管理。

5.10承包商档案管理

5.10.1承包商引进部门建立承包商档案,包括但不限于以下内容:

安全环保管理协议;

承包商《承包商安全环保资质审查表》及其附件材料;

承包商年度评审表;

合格承包商名录。

5.10.2安全环保部建立承包商档案,包括但不限于以下内容:

公司级安全培训记录;

安全环保管理协议;

承包商保险;

施工方案及应急预案;

承包商风险抵押金资料;

日常安全检查记录及考核;

承包商安全管理信息传递卡。

5.10.3项目属地管理部门或直线管理部门建立承包商档案,包括但不限于以下内容:

部门级培训记录及施工安全交底;

日常安全检查记录;

现场施工方案及JSA分析记录;

承包商安全管理信息传递卡。

                    

 

承包商入厂安全手续流程

 

1、凭项目发包部门签定的相关协议/合同(复印件)、承包商资质审查表复印件(附件1)、承包商评审表(复印件)及项目发包部门填写的《承包商信息传递卡》到安全环保部签订“承包商安全环保管理协议”,办理安全教育、人脸识别等手续;

安全环保部安全教育联系人;朱建国: 13952949619/69619

周毅平:13852917170/67170

安全环保部定位器办理联系人;赵春雷:15952891920

2、安全环保部安全教育需提供资料:

  1)承包商资质材料备案(有效的工商营业执照、税务登记证、生产许可证、安全生产许可证及公司资质证明等);

  2)承包商人员保险证明

a) 一般企业需工伤保险缴纳证明或人身意外伤害保险或雇主责任险缴纳证明等;注意保险职业类型要符合(五级/类以上/包含五级)

b) 涉及危险行业【煤炭生产、非煤矿山开采、建设工程施工、危险品生产与储存、交通运输、烟花爆竹生产、冶金、机械制造、武器装备研制生产与试验(含民用航空及核燃料 】单位需提供安全生产责任险;

  3)特种作业人员提供资质复印件(电工证、焊工证、架子工、吊装证等);——以国家应急管理部官网查询信息为准

4)照片每人一张一寸免冠证件照;身份证复印件;

5)单位委派证明(盖公章)(见附件);

6)疫情管控期间执行适时文件及上级通知;

3、安全教育手续办理流程;

1)签订安全环保协议

凭工程发包部门签定的相关协议/合同、承包商资质审查表复印件及信息传递卡至安全环保部签订安全环保协议。承包商向财务部缴纳安全环保风险抵押金。

安全环保风险抵押金的缴纳标准:

a) 长期承包商安全环保风险抵押金不低于1万元/年,单个项目达到或超过100万元的按合同价的2%缴纳;

b) 临时承包商安全环保风险抵押金按合同价的1%缴纳,最低不少于4000元,最多不超过2万元。

c) 与江苏索普新材料科技有限公司合同终止时,根据考核情况免息退还余额。

(2)承包商使用部门组织施工单位编制“施工方案、JSA及应急预案”,然后根据方案所涉及的危险作业有害因素填写“施工方案、应急预案审核表”(后附审批表)经审核通过后报送一份给安全环保部备案,其编制的安全作业方案应包括作业区域危险因素辩识、评价和制定危险因素预防控制措施及相应的应急救援预案

   缴纳风险抵押金方式:

直接缴纳到索普公司银行账号

缴纳风险抵押金银行账号:

江苏索普新材料科技有限公司-91321191MA1MC3CY76;

镇江新区大港临江西路35号0511——88987827;

中国建设银行股份有限公司镇江新区支行-32050175883600000048;

凭安环部风险抵押金缴纳单及银行转账记录直接到公司财务部(公司办公楼二楼202室;联系人:田文宪-13912806794、张兆华-13951289219  办公电话:88987827)进行办理。

(3)每周二、三、四下午14:00需安全教育人员集中到安全部培训室,安全管理人员进行教育、领取安全教育试卷进行考试(考试要求:笔迹工整,文字题必答);

(4)安全管理人员对试卷进行批改后,试卷发给施工人员订正,成绩合格(80分及格),办理《索普新材料外工上岗证》;

(5)人员定位器办理流程

a. 提供营业执照复印件-《索普新材料外工上岗证》-身份证复印件-现居住地-电话号码-到公司消防队办理定位器押金代收申请单-资产财务部交押金(每只定位器300元)。

b. 消防队凭资产财务部开具的定位器押金收据复印件给与办理人员定位器。

4、安全管理人员填写《承包商信息传递卡》后交施工单位管理人员,施工单位凭《承包商信息传递卡》、外工证到施工项目所在事业部办理二级安全教育;

   二级安全教育联系人:

            硫化事业部:龚苏斌-13655296593

                          沈洁-13655292173

             盐化事业部:袁聚-15051145306

                         蔡鸣-1595282361

             新材料事业部:廖艳平-13655286896

                           梁惠民-15952886645

             精化事业部:唐仲凌-13952847006

                          张显玉-18021215907

5、施工单位凭《承包商信息传递卡》、外工证到施工项目所在事业部班组办理三级安全教育或现场安全交底教育(需提供复印件至安全环保部备案)。

7、和岗位班组长或地段负责人联系,办理施工许可手续(危险作业需办理危险作业证,如动火作业证、受限空间作业证、登高作业证、吊装作业证、盲板抽堵作业证、断路作业证、临时用电作业证等)。

安全环保部负责人;费日开13952945109

注:作业过程管理

a) 执行公司《危险作业管理制度》、《脚手架作业安全管理制度》、《施工现场环保管理制度承包商十大禁令”(附件8等相关制度及规定

b) 承包商应为员工配置合格劳动防护用品,统一明显标识工作服,焊工作业应着焊工服。

c) 承包商人员应按照实名配置人员定位器进入生产区域(二道门内),在生产区域(二道门内)应按照指定路线行走,进入指定工作区域后不得随意至非工作区域活动。

d) 承包商施工作业应配置经培训合格的监护人,并有监护人醒目标志。

承包商在作业前对作业区域采取有效隔离,措施包括围挡、警戒绳、安全警示牌等。

承包商安全环保管理协议.doc

氯苯事业部衬氟自吸罐制作招标.doc

附件:自吸罐图纸.jpg

现场查勘表.doc

承包商预审表.doc


友情链接: 镇江国资在线 | 腾讯企业邮箱 | 金山网 | 

集团地址:江苏省镇江市京口区求索路101号  联系电话:0511-88995088  集团邮箱:sopo@sopo.com.cn

版权所有:苏ICP备16014172号-3  Copyright © 2014 - 2026  江苏索普(集团)有限公司